6+ Honeywell Thermostat Diagram
Room Thermostat T6360 Honeywell Astra Automatyka

Honeywell Home T6r Smart Thermostat Wall Mount User Guide
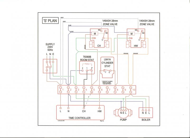
Installing Honeywell Wireless Room Stat Into S Plan System Diynot Forums
Resideo T6 Pro Smart Wiring Diagrams User Guide
Upgrade To Nest Thermostat E From Honeywell R6660d Diynot Forums
Resideo T6 Pro Smart Wiring Diagrams User Guide
How To Wiring The Honeywell Digital Thermostat T6861
Powershift Smart Thermostat Tech Youtube
Beige Replacement Cover For Honeywell D22 Wall Mounted Thermostat Therm Coil Mfg Co
Honeywell Thermostat T6865 H2wb R Blue Horizontal 24v Ac Min 1 Year Manufacturer Warranty Amazon Ae Tools Home Improvement
Resideo T6 Pro Smart Wiring Diagrams User Guide
Wiring Heat Pump Systems Honeywell T6 Pro Installation Instructions Manual Page 5 Manualslib
T6 Pro Smart Thermostat Manual Support Honeywell Home
Network Thermostat Nt Room S Sensor Installation Guide
Changing Old Honeywell Thermostat To Wireless Thermostat Diynot Forums
User Manual Honeywell Rth7000 English 48 Pages
User Manual Honeywell Rth7000 English 48 Pages
Honeywell T6 Thermostat Wiring Diynot Forums